IXYS IXFH34N65X2WパワーMOSFET
IXYS IXFH34N65X2W Power MOSFET は、電荷補償原理と独自のプロセス技術を用いて開発された 650V、100mΩ、X2 クラス HiPerFET™ パワー MOSFET です。このNチャンネルパワーMOSFETには、優れたdv/dt性能と共に、低オン状態抵抗および低ゲート電荷が備わっています。IXFH34N65X2W MOSFETは、高電力密度が特徴で、アバランシェ機能によってデバイスの耐久性が強化されています。高速ソフトリカバリボディダイオードに加えて、ウルトラジャンクションMOSFETは、スイッチング損失と電磁干渉(EMI)の低減に役立ちます。IXFH34N65X2W MOSFETは、スイッチモードおよび共振モード電源、DC/DCコンバータ、PFC回路、ACおよびDCモータドライブ、ロボティクス、サーボ制御アプリケーションで使用されます。特徴
- ドレイン-ソース電圧(VDS):650V
- 100mΩ未満の低オン抵抗(RDS (on))
- 64nCの低ゲート電荷(Qg)
- 540Wの電力損失(PD)
- ドレイン電流(ID):34A
- 定格アバランシェ
- 高効率
- 保管温度範囲: -55°C ~150°C
- 高電力密度
- 低パッケージインダクタンス
- 伝導損失を低減済
- ドライバの電力要件を削減
- 国際規格パッケージ
- 取付が簡単
- 省スペース
アプリケーション
- スイッチモードおよび共振モード電源
- DC/DCコンバータ
- ACおよびDCモータードライブ
- PFC回路
- ロボティクス
- サーボ制御
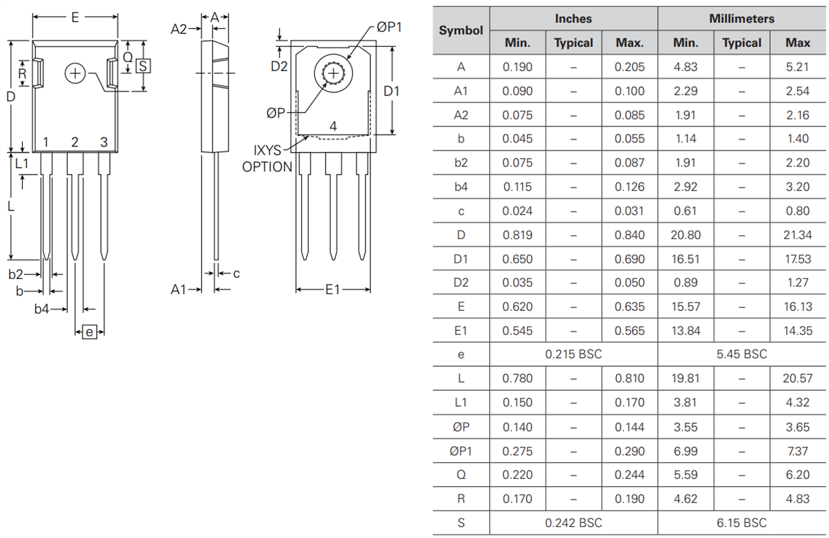
寸法図
公開: 2025-02-21
| 更新済み: 2025-03-17
