IXYS IXSA80N120L2-7 SiC MOSFET
IXYS IXSA80N120L2-7 SiC MOSFET は、産業グレードの単一スイッチ SiC MOSFET で、パワーサイクリング特性と非常に高速かつ低損失のスイッチング動作を示します。このMOSFETは、低い導通損失、低いゲートドライブ電力要件、低い熱管理努力を特徴とし、ゲート制御に最適化されています。IXSA80N120L2-7SiCMOSFET 、高速産業用スイッチモード電源に使用されます。この SiCMOSFET は、ソーラーインバータ、スイッチモード電源、 UPS、モータドライブ、DC/DCコンバータ、EV充電インフラ、誘導加熱に最適です。特徴
- 1,200Vドレイン-ソース間電圧
- 30mΩ のドレイン‐ソース間オン状態抵抗 R DS(on)
- −3/+15〜18V のゲートドライブに対応した SiC MOSFET テクノロジー
- 3000pF の低入力容量 Ciss
- Tvj = +175°C の最大仮想ジャンクション温度
- 高いブロッキング電圧と低いオン状態抵抗
- 低静電容量で高速スイッチング
- Trr = 54.8ns の超高速内蔵ボディダイオード
- ケルビンソース接続
- 湿度感度レベル1(MSL1)
- Tc = 25°C における総電力損失 395W
アプリケーション
- ソーラーインバータ
- スイッチモード電源
- UPS
- モータドライブ
- DC/DCコンバータ
- EV充電インフラ
- 誘導加熱
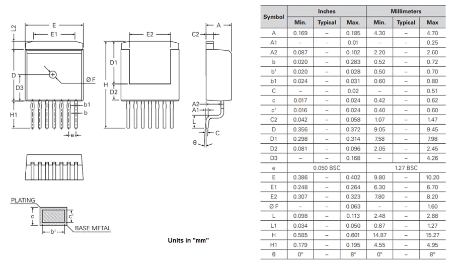
寸法図
公開: 2025-02-28
| 更新済み: 2026-04-13
