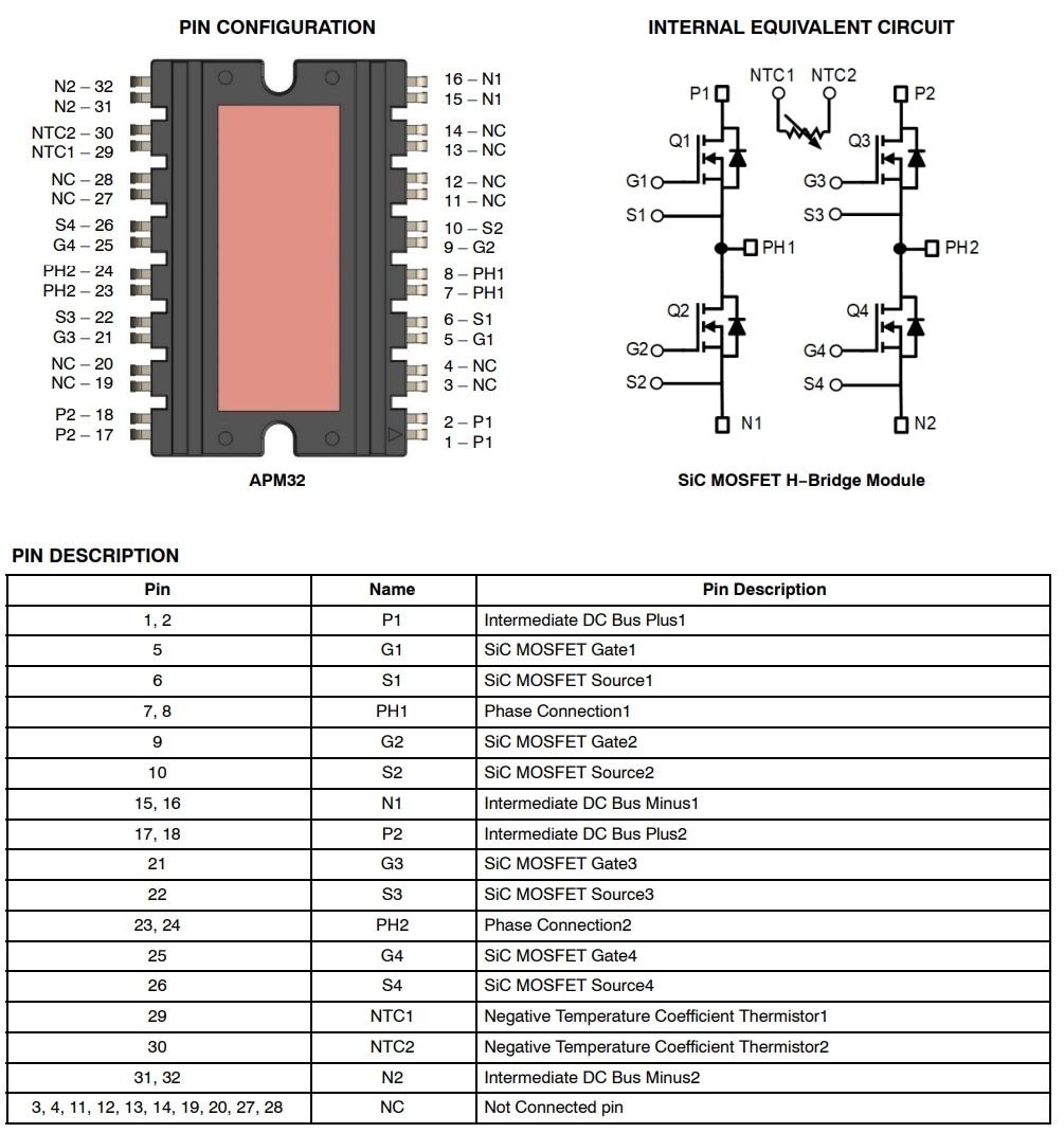
onsemi NVXK2TR80WDT Silicon Carbide (SiC) モジュール
onsemi NVXK2TR80WDTシリコンカーバイド(SiC) モジュールは、1,200V、80mΩ 、20Aデュアル・ハーフブリッジ・エリシカル・パワー・モジュールで、APM32デュアル・インライン・パッケージ(DIP) に格納されています。このSiCモジュールは、全モジュール抵抗を低く抑えるようにコンパクトに設計されています。NVXK2TR80WDTパワーモジュールは、AEC-Q101およびAQG324に基づいて、 車載規格に適合しています。このパワーモジュールは、無鉛、RoHS、UL94V-0に準拠しています。NVXK2TR80WDT EliteSiC MOSFETモジュールは、xEVアプリケーションのHV DC/DCおよびオンボード充電器での使用に最適です。特徴
- DIP Silicon Carbide (SiC) デュアルブリッジ・ハーフモジュール
- ドレイン・ソース間電圧(VDSS):1200V
- 連続ドレイン電流 (ID) :20A
- ドレイン・ソースon抵抗(RDS (ON)) : 80mΩ(標準)
- 動作接合部温度 (TJ)範囲:-40°C~175°C
- IEC60664-1およびIEC 60950-1に準じた沿面距離とクリアランス
- モジュール全体の抵抗を低く抑えるコンパクト設計
- 完全トレーサビリティのためのモジュール・シリアライゼーション
- 無鉛
- RoHS およびUL94V-0準拠
- AEC-Q101およびAQG324などの車載認定
アプリケーション
- EV-PHEVのHV DC/DCおよびオンボードチャージャ
- EV-PHEV向け11kW~22kWオンボードチャージャ
SiC MOSFETハーフブリッジモジュール
公開: 2024-08-02
| 更新済み: 2024-08-28
