onsemi NXH00xP120M3F2PTxG EliteSiCハーフブリッジモジュール

Onsemi NXH00xP120M3F2PTxG EliteSiCハーフブリッジモジュールは、2つの3mΩ または4mΩ の1200V SIC MOSFETスイッチとサーミスタを搭載する2パックモジュールで、Zirconia Doped Alumina(HPS)直接結合銅(DBC)またはシリコン窒化物(Si3N4)  DBCが搭載されています。F2パッケージのSiC MOSFETスイッチには、M3S技術が活用されており、15V~18Vゲートの駆動範囲が特徴です。アプリケーションには、DC-AC、DC-DC、AC-DC変換があります。

特徴

  • 3mΩまたは4mΩ、1200V M3S SiC MOSFETハーフブリッジ
  • F2パッケージオプション
    • ジルコニアドープアルミナ (HPS) 直接結合銅(DBC)
    • 窒化ケイ素 (Si3N4) 直接結合銅 (DBC)
  • 15V ~ 18Vゲート駆動範囲
  • サーミスタ
  • 事前に適用されたサーマルインターフェイス素材 (TIM)
  • Press-fitピン
  • 無鉛、ハロゲンフリー、RoHS準拠

アプリケーション

  • ソーラーインバータ
  • 無停電電源(UPS)
  • 電気自動車 (EV) 充電ステーション
  • 産業用電源

データシート

  • EliteSiC, 3mΩ SiC M3 MOSFET, 1200V, 2パックハーフブリッジトポロジ
  • EliteSiC 、4mΩ SIC M3 MOSFET、1200V、2パックハーフブリッジトポロジ

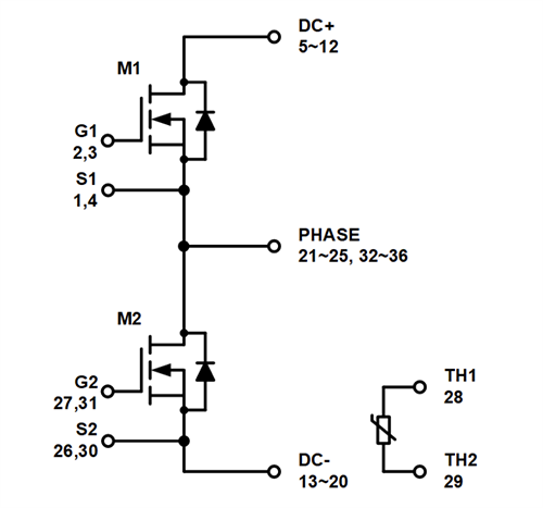
回路図

回路図 - onsemi NXH00xP120M3F2PTxG EliteSiCハーフブリッジモジュール

ピン接続

onsemi NXH00xP120M3F2PTxG EliteSiCハーフブリッジモジュール
公開: 2023-11-20 | 更新済み: 2024-06-18