onsemi NxJS3151P シングルPチャンネルパワーMOSFET
onsemi NxJS3151P シングルPチャンネルパワーMOSFETは、効率的なスイッチングアプリケーション用に設計された高性能MOSFETです。コンパクトなSC-88 (SOT-363) 2mm x 2mmパッケージに格納されているこれらのonsemi MOSFETは、-4.5Vでわずか45mΩの低RDS (オン) を備え、導通損失の低減と熱性能の向上を実現します。最大ドレイン電流-3.3A、およびドレイン-ソース定格電圧-12Vを備えたNxJS3151Pデバイスは、ポータブルおよびバッテリ駆動デバイスでの負荷スイッチングに最適です。超低ゲート電荷と高速スイッチング特性は、エネルギー効率の向上に貢献しており、onsemi NxJS3151P シングルPチャンネルパワーMOSFETは、電力密度と信頼性が重要になる、スペースに制約のある設計に最適です。特徴
- バッテリ寿命を延ばす低RDS (オン) のための代表的なトレンチ技術
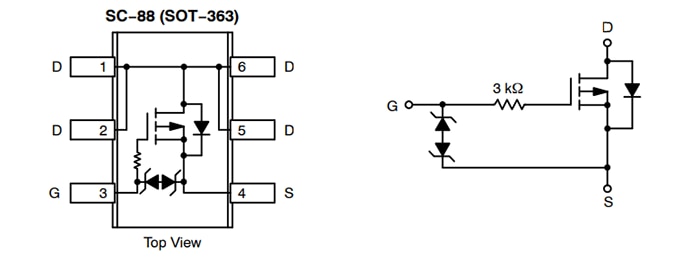
- SC-88 小型外形 (2mm x 2mm、SC70-6相当)パッケージ
- ゲートダイオード (ESD保護用)
- 固有のサイトと制御変更要件を必要とする車載用、およびその他のアプリケーションを対象としたNVシリーズ (AEC-Q101認定済でPPAP対応)
- リードフリー、ハロゲンフリー/ BFRフリー、RoHS準拠
アプリケーション
- 高圧側負荷スイッチ
- 携帯電話、コンピューティング、デジタルカメラ、MP3、PDA
仕様
- オフ特性
- 最小ドレイン-ソース間絶縁破壊電圧:-12V
- 標準ドレイン-ソース間破壊電圧温度係数:10mV/°C
- ゼロゲート電圧ドレイン電流
- 最大-1,0µA(+25°Cの場合)
- -2.5µAで標準+125°C
- ゲート-ソース間リーク電流
- ±4.5VGS で最大±1.5µA
- ±12VGS で最大±10mA
- On特性
- ゲート閾値電圧範囲:-0.40V ~ -1.2V
- 標準負閾値温度係数:3.4mV/°C
- (最大)ドレイン-ソースオン抵抗範囲:60mΩ ~ 160mΩ
- 標準順方向トランスコンダクタンス:15S
- 充電と容量
- 標準入力容量:850pF
- 標準出力容量:170pF
- 逆転送静電容量:標準110pF
- 総ゲート電荷:8.6nC(標準)
- 標準ゲート-ソース間充電: 1.3nC
- 標準ゲート-ドレイン間充電: 2.2nC
- 標準ゲート抵抗:3,000Ω
- スイッチング特性
- ターンオン時の標準遅延時間: 0.86µs
- 標準立ち上がり時間:1.5μs
- ターンオフ遅延時間: 3.5μs(標準)
- 標準下降時間:3.9μs
- 45mΩ (@ -4.5V) ~ 133mΩ (@ -1.8V) 標準RDS (オン) 範囲
- 最大ゲート-ソース間電圧:±12V
- 最大連続ドレイン電流範囲:-2.7A ~ -3.3A
- 0.625W最大電力損失
- (標準)順方向ダイオード電圧範囲:-0.7V ~ -0.85V
- 最大ボディダイオードソース電流:-0.8A
- 最大熱抵抗
- 接合部-周囲定常:200°C/W
- 接合部-周囲:141°C/W
- 接合部対リード定常:102°C/W
- 温度
- 接合部動作温度範囲:-55°C ~ +150°C
- 最大リードハンダ付け温度:+260°C
回路図
公開: 2025-08-29
| 更新済み: 2025-09-04
