ROHM Semiconductor RH7L04CBJFRA -60V PチャンネルパワーMOSFET
ローム株式会社の RH7L04CBJFRA -60V PチャンネルパワーMOSFETは、ドレイン-ソース電圧-60V(VDSS)、および連続ドレイン電流±36A (ID) 定格車載グレードMOSFETで、AEC-Q101の認定を受けています。ドレイン・ソース間オン状態抵抗 [RDS(ON)] は、(最大) 41mΩ (VGS = -10V、ID = -20A) で、3.3mm x 3.3mm DFN-8 (DFN3333T8LSAB) パッケージに収められています。ローム株式会社の RH7L04CBJFRA MOSFETは、先進運転支援システム (ADAS) 、情報、照明、ボディアプリケーションに最適です。特徴
- ウェッタブルフランク製品
- AEC-Q101認定を取得済
- 100%アバランシェ試験済
アプリケーション
- ADAS
- 情報
- 照明
- ボディ
仕様
- ドレイン・ソース間オン状態抵抗 [RDS(ON)]
- (最大) 41mΩ (VGS = -10V、ID = -20A)
- (最大) 47mΩ (VGS = -4.5V、ID = -10A)
- 消費電力:62W (PD)
- 全ゲート電荷 (Qg)
- (標準) 35.0nC (VDD = -30V、ID = -10A、VGS = -10V)
- (標準) 16.0nC (VDD = -30V、ID = -10A、VGS = -4.5V)
- 接合部温度+175°C(Tj)
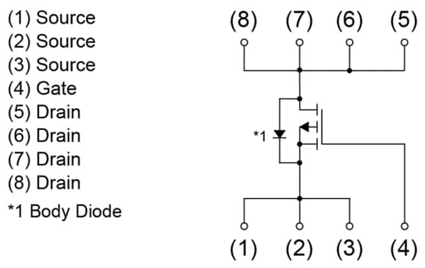
回路図
パッケージ図
公開: 2025-07-25
| 更新済み: 2025-08-19
