STMicroelectronics STDRIVEG610 ハーフブリッジゲートドライバ
STマイクロエレクトロニクス (STMicroelectronics) STDRIVEG610ハーフブリッジ・ゲート・ドライバは、さまざまな電力変換アプリケーションでNチャネルMOSFETまたはIGBTを駆動するために設計された高性能デバイスです。STマイクロエレクトロニクス (STMicroelectronics) STDRIVEG610は、 シングル入力制御 および ブートストラップ動作を特徴とし、最小限の外付け部品で効率的なハイサイドおよびローサイドのスイッチングを可能にします。このデバイスは、ハイサイドドライバで最大600V をサポートしており、ローサイドとハイサイドの両方に低電圧誤動作防止機能 (UVLO) が搭載され、安全な動作が保証されます。50nsの 標準伝搬遅延と一致した遅延時間により、STDRIVEG610IC は、 モータ制御、電源、インバータなどの高周波スイッチング・アプリケーションに適しています。コンパクトな設計、堅牢な保護機能、広い動作電圧範囲によって、STDRIVEG610ハーフブリッジゲートドライバは、効率的でコンパクトなゲートドライバソリューションを求める設計者にとって信頼性の高い選択肢となります。特徴
- 最大600Vの高電圧レール
- ± 200V/ns dV/dtの過渡耐性
- 最適な駆動を目的としたシンクとソースパスを分離したドライバ
- 2.4Aおよび1.2Ωシンク
- 1,0Aおよび3.7Ωソース
- 6Vゲート駆動電圧用のハイサイドおよびローサイド・リニアレギュレータ
- 300nsの超高速ハイサイド起動時間
- 45nsの伝搬遅延、15nsの最小出力パルス
- 高スイッチング周波数(>1MHz)
- 組み込み600Vブートストラップダイオード
- GaNハードスイッチング動作を完全サポート
- VCC、VBO 、およびVLS のUVLO機能
- 分離されたロジック入力とシャットダウンピン
- 過熱およびUVLOレポート用の障害ピン
- 低消費モード用のスタンバイ機能
- Kelvinソース駆動および電流シャント互換性のための分離されたPGND
- ヒステリシスおよびプルダウンを備えた3.3V ~ 20V互換入力
アプリケーション
- DC/DCおよび共振コンバータ (LLC、アクティブクランプフライバック、トーテムポール、…)
- PFCおよび同期整流器トポロジ
- バッテリ充電器とアダプタ
- AC/DCコンバータ
仕様
- 9.2V ~ 18Vのロジック電源電圧範囲
- ±3Vのローサイドドライバ接地
- VBOOT-OUT ピンの電圧範囲:7.5V~20V
- 出力電圧範囲:-10.8VDC 〜520VDC
- 600Vの最高過渡出力電圧
- 0V ~ 20Vのロジック入力電圧範囲
- 47nF ~ 220nFのドライバ供給電圧バイパス容量範囲
- 3,300nFの最大ハイサイドドライバリニアレギュレータ入力容量
- 入力パルスの最小持続時間50ns
- 2MHzの最大スイッチング周波数
- 熱抵抗
- PCB熱バイアスなしでJESD51-7に準拠した2s2p (4層) FR4ボードに取り付ける場合、周囲に対する接合部: 85°C/W
- JESD51-3に準拠した1s0p (1層) FR4ボードに取り付ける場合、周囲に対する接合部: 110°C/W
- ESD定格
- ANSI/ESDA/JEDEC JS-001-2017に準拠した2kV人体モデル
- ANSI/ESDA/JEDEC JS-002-2018に準拠した1kV帯電デバイスモデル
- ジャンクション温度範囲:-40°C~++125°C
- 4mm x 5mm x 1mmのQFNパッケージ
標準アプリケーション図
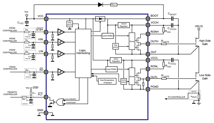
ブロック図
ビデオ
公開: 2025-06-19
| 更新済み: 2025-08-07
