Texas Instruments OPA2810レール・ツー・レールI/O FETオペアンプ
Texas Instruments OPA2810高性能レール・ツー・レール入力/出力オペレーショナル・アンプには、デュアルチャンネル、低入力バイアス電流を含む電圧帰還アンプが備わっています。このデバイスは、ユニティゲインで安定しており、105MHzの小信号ユニティゲイン帯域幅が備わっています。OPA2810は、チャンネル当たり3.6mA(typ)の低自己消費電流(IQ)での、最適なDC精度とダイナミックAC性能を実現しています。TI独自の高速SiGe BiCMOSプロセスが採用されており、このデバイスは、以前のバージョンよりも性能が大幅に向上しています。OPA2810は、広範なハイファイ・データ収集および信号処理アプリケーションで使用に優れた選択です。機能には、70MHzのゲイン帯域幅積(GBWP)、192V/µsのスルーレート、6nv/√Hzの電圧低ノイズがあります。4.75V~27Vという広範な供給範囲は、レール対レール入力と出力が備わったデバイスで利用できます。OPA2810は、オプトエレクトロニクス部品とアナログ・デジタル・コンバータ(ADC)入力を駆動できる、あるいはDAC出力を重負荷にバッファリングできる75mAのリニア出力電流を供給します。特徴
- ゲイン帯域幅積: 70MHz
- 小信号帯域幅: 105MHz
- スルーレート: 192V/µs
- 幅広い供給範囲: 4.75V~27V
- 低ノイズ:
- 入力電圧ノイズ: 6nv/√Hz (f=500kHz)
- 入力電流ノイズ: 5fA/√Hz(f=10kHz)
- レール・ツー・レール入出力:
- FET入力段: 2pA入力バイアス電流(typ)
- 高リニア出力電流: 75mA
- 入力オフセット: ±1.5mV(最大)
- オフセット・ドリフト: ±2µV/°C(typ)
- 低消費電力: 3.6mA/チャンネル
- 拡張温度動作: –40°C~+125°C
アプリケーション
- 広帯域フォトダイオード・トランスインピーダンス・アンプ
- 高Zフロントエンド
- インピーダンス測定
- 電源アナライザ
- マルチチャンネル・センサ・インターフェイス
- レベルシフト、バッファリング
- オプトエレクトロニクス・ドライバ
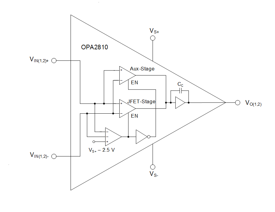
ブロック図
公開: 2018-08-02
| 更新済み: 2024-02-26
