u-blox ANNA-B112スタンドアロンBLUETOOTH® 5モジュール
u-blox ANNA-B112スタンドアロンBLUETOOTH® 5モジュールは、BLUETOOTH® 5およびArm® Cortex®-M4マイクロプロセッサ(FPU搭載)が特長の超コンパクトSiPです。これらのBLUETOOTH® 5モジュールは、小型サイズにもかかわらず内部アンテナオプションがあります。ANNA-B112モジュールを使用すると、Nordic SemiconductorまたはArm® Mbed™のSDKを使用してBLUETOOTH® Low Energy(BLE)スタックでベストインクラスの容量アプリケーションの稼働が可能になります。これらのモジュールは、u-blox BLE シリアル ポート サービス、GATT クライアントおよびサーバー、ビーコン、NFC™、およびペリフェラルとセントラルの同時役割をサポートするu-connectXpressソフトウェアとともに提供されます。ANNA-B112モジュールは、512kBフラッシュおよび64kB RAMが特徴です。これらのスタンドアロンBLUETOOTH® 5モジュールは、1.7VDC ~3.6VDC 電源電圧範囲内、および-40°C~85°C温度範囲内で動作します。代表的なアプリケーションには、資産追跡、照明、計測があります。
特徴
- 64MHz Arm® Cortex®-M4マイクロプロセッサ(FPU搭載)
- BLUETOOTH® 5およびBLUETOOTH mesh
- 組み込みBluetooth Low Energyスタックとu-connectXpressソフトウェア
- 超コンパクト
- 内蔵アンテナ
- 世界各地域でモジュール認可を取得
仕様
- 電源電圧範囲:1.7VDC ~3.6VDC
- 64kB RAMおよび512kBフラッシュ
- 2.4GHz、40チャンネルバンドサポート
- +4dBm標準伝導出力電力
- 内部アンテナ(EIRP)による+5dBm最大放射出力電力
- 外部アンテナ(EIRP)を用いた+9dBm最大放射出力電力
- 感度:-91dBm(伝導)
- 1Mbpsおよび2Mbps GFSKデータレート
- 動作温度範囲:-40°C~85°C
- 寸法:6.5mm x 6.5mm x 1.2mm
- RoHS準拠
アプリケーション
- 資産追跡
- 照明
- 計測
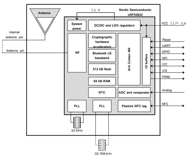
ブロック図
ソフトウェア構造と利用可能なソフトウェアオプション
View Results ( 2 ) Page
| 部品番号 | インタフェース タイプ | 出力電力 | データ レート | レシーバ感度 | 周波数 | メモリ サイズ | 範囲 | コア | 受信供給電流 | 送信供給電流 |
|---|---|---|---|---|---|---|---|---|---|---|
| ANNA-B112-02B | I2C, I2S, SPI, UART | 4 dBm | 2 Mb/s | - 91 dBm | 2.4 GHz | 512 kB, 64 kB | 160 m | ARM Cortex M4 | 5.4 mA | 5.3 mA |
| ANNA-B112-01B | GPIO, I2C, I2S, SPI, UART | 4 dBm | 2 Mb/s | - 91 dBm | 2.4 GHz | 512 kB, 64 kB | 160 m | ARM Cortex M4 | 5.4 mA | 5.3 mA |
公開: 2020-09-09
| 更新済み: 2024-12-23
