日本 - フラグ 日本

ご希望の通貨をご確認ください。:

日本円
インコタームズ:発注時に消費税が加算されたDDP
All prices include duty and customs fees.
¥6,000 (JPY) を超えるご注文は通常、発送無料となります

米国ドル
インコタームズ:FCA (発送場所)
関税、通関手数料、消費税は、商品お届け時にお支払いください。
$50 (USD) を超えるご注文は通常、発送無料となります

Bench Talk for Design Engineers

Mouser Blog | Japan

rss

マウザー・エレクトロニクスの公式ブログ


既存のボードを組み合わせるだけで、パワー・バンク用チャージャのプロトタイプを構築する Diarmuid Carey

 

質問:

独自のハードウェアを一切開発することなく、パワー・バンク用 チャージャのプロトタイプを構築することは可能でしょうか?

 

回答:

端的に答えるなら、答えは「イエス」です。ただ、この質問は長年にわたり多くのお客様から寄せられています。筆者は、その都度、求めに応じて答えを示してきましたが、より詳しい内容を網羅するために1本の記事として回答をまとめることにしました。本稿では、ハードウェアとして既存の評価用ボードを使用します。筆者は、この手法によって1つのアプリケーションを開発したことがあります。本稿では、その際の手順を振り返りながら、遭遇した課題と対策について説明していきます。その上で、更なる修正と改良を加えるための推奨事項を示します。

 

はじめに

電源を設計する際には、それがどのような種類のものであっても、最初に概念検証を目的とした何らかのテストを実施すべきです。おそらくは、既存のデモ用ボードを使用していくつかのテストを行うことになるでしょう。その場合、1つの電源レールのテストを行うためのボードを拡張し、適切に動作するはずのシステムを構築することになるはずです。また、そのテストは比較的短い期間で完了させる必要があるでしょう。そのため、設計、レイアウト、構築、組み立て、テスト(更には必要に応じて設計の繰り返し)から成る標準的な開発工程は適用できないのではないでしょうか。したがって、即座に利用が可能なハードウェアだけを使用し、システム全体の試作を実現できることが望ましいはずです。

 

アプリケーション

冒頭の質問に「イエス」と答えるためには、実証が必要でしょう。しかも、ハイ・レベルのアプリケーションを出発点として選択しなければ説得力に欠けるはずです。そこで、筆者はパワー・バンク(可搬型の充電器)のアプリケーションを、概念検証の対象として選択することにしました。ただ、パワー・マネージメントは、エレクトロニクス分野のあらゆるプロジェクトに必須の要素です。したがって、実際には他の任意のアプリケーションを対象として選択しても構いません。

パワー・バンク用のチャージャは、極めて一般的なアプリケーションです。実際、ほとんどの人が目にしたり使ったりしたことがあるでしょう。例えば、多くの旅行者は、長旅の間にスマートフォンの充電を切らさないようにするためにパワー・バンクを携帯しています。パワー・バンク製品は、価格と必要なレンジによって容量が異なります。その点を除けば、基本的にはバッテリ・パックの一種です。通常は、USB Type-Aに対応する1つ以上のポートと、USB Type-Cに対応する1つの充電用入力ポートを備えています。もちろん、それらの基本機能だけでなく、より複雑な機能を追加することも可能です。例えば、ワイヤレスの充電パッドに対応する機能が追加されることもあるでしょう。あるいは、屋外での活動を楽しむ人のために、太陽光発電パネルによる充電に対応するための入力が追加されることもあるはずです。

本稿で例にとるプロトタイプ(アプリケーション回路)には、バッテリの充電用のものとして2系統の入力を用意します。すなわち、太陽光発電パネルまたは標準的な12VのAC/DC電源アダプタからのDC入力に対応できるようにします。また、出力用のものとして、基本的なUSB Type-Aの充電ポート(2個)を設けることにします。そして、スマートフォンやUSBによる給電が可能な電子機器に対応できるようにするために、5Vの電圧を生成できるようにします。

 

ハードウェアの選択

本稿で例にとるプロトタイプは、いくつかのブロックから成ります。以下では、それぞれのブロックについて詳しく説明していきます。

電源の切り替えを担うPowerPathコントローラ

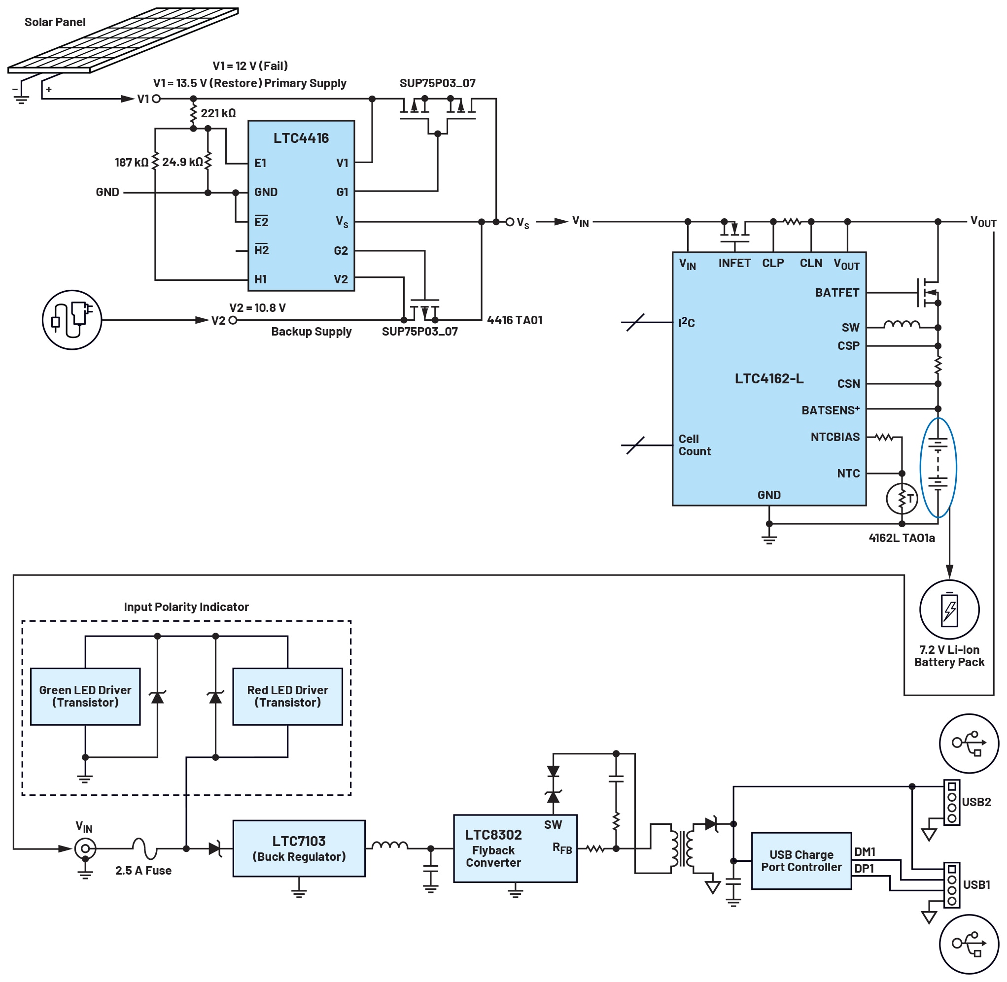
上述したように、本稿で例にとるプロトタイプは、2種類の入力電源に対応します。太陽光発電パネルとシンプルなAC/DC電源アダプタの2つです。そのため、PowerPathに対応するプライオリタイザと呼ばれるインテリジェントなコントローラが必要になります。それにより、どちらの入力電源を利用できるのかに応じ、インテリジェントに切り替えを実施します。また、プライオリタイザを使えば、優先順位を割り当てることによって、どちらも利用可能である状況にも対応することが可能になります。この仕組みは、複数のシンプルなダイオードを使用することでも簡単に実装することができます。その場合、ダイオードの2つのカソードを互いに接続し、アノードをそれぞれの入力電源に接続します。しかし、この構成ではダイオードの電圧降下(約0.6V)が原因で損失が増大します。また、優先順位に基づいた選択といったインテリジェントな制御は実現できません。この構成では、単に電圧が高い方の入力電源が選択されるだけだからです。

上述したような問題があることから、本稿のプロトタイプでは、PowerPathに対応するプライオリタイザとして「LTC4416」を使用することにします。このコントローラICを使用すれば、損失の高いダイオードを、それよりもはるかに効率が高いPチャンネルのMOSFETに置き換えることができます(図1)。それだけでなく、優先順位に基づくインテリジェントな選択も行えます。本稿のプロトタイプでは、常に電源アダプタが優先されるようにします。つまり、電源アダプタが利用可能な状態では、必ずその大きな電力(多くの電流)によって充電を行います。LTC4416は非常に柔軟性が高く、設計上の要件に応じて多くの動作モードを使用できます。表1は、同ICの動作モードについてまとめたものです(詳細については同ICのデータシートを参照)。

表1. LTC4416の動作モード

 

図1. LTC4416の標準的なアプリケーション回路

スイッチング方式の降圧バッテリ・チャージャ

バッテリ・チャージャとしては「LTC4162-L」を使用することにしました。同ICは入力電圧範囲が広く(最大35V)、3.2Aの電流による充電能力を備えています。また、MOSFETを内蔵しているため、ソリューションのサイズを小さく抑えられます。LTC4162-Lは、一般的に必要とされるあらゆる機能を備えています。LiFePO4バッテリ、リチウムイオン・バッテリ、鉛蓄電池など、様々なケミストリのバッテリに対応することが可能です。テレメトリ情報の抽出にはI2Cインターフェースを使用できるので、広範なアプリケーションに柔軟に対応できます。本稿のプロトタイプにおいて同ICを選択した理由としては、上述したように、入力とバッテリ電圧に関する柔軟性を備えていることが挙げられます。それだけでなく、同ICの集積度の高さも理由の1つです。このことは、ソリューションのサイズの削減に寄与します。また、同ICは最大電力点追従(MPPT:Maximum Power Point Tracking)という重要な機能を備えています。入力電源の1つが太陽光発電パネルである場合、できるだけ多くの電力を確実に抽出するためには同機能が必須です。加えて、同ICはPowerPathに対応する制御機能も内蔵しています。これは、本稿のプロトタイプにおいて非常に有用な機能です。同機能は、入力電源が取り除かれた場合に、バッテリの電圧を出力端子に供給して下流で使用できるようにする役割を果たします。

図2. LTC4162-Lの標準的なアプリケーション回路

 

図3. CN0509のアプリケーション回路

 

USB充電向けのソリューション

このプロトタイプでは、ボードに接続されたデバイスに対し、USBを介して給電できるようにします。そのためのボードは、Circuits from the Lab®として提供されているリファレンス設計/ソリューションの中から選択しました。一般的な評価用ボードは単一のICを対象とし、その評価を実施できるようにすることを目的としています。それに対し、Circuits from the Labのボードは、多くの場合、ソリューションに重点を置いて実装されています。アナログ・デバイセズが提供する複数の製品を組み合わせて活用し、特定のシステムの要件を満たせるように設計されています。

USBポートを介した充電を可能にするために、筆者はCircuits from the Labの中から「CN0509」を選択しました。そのボードは、入力電圧範囲の広いデュアルチャージャとして機能します。その機能は、自然災害や広範囲にわたる停電といった非常時を想定して設計されています。非常時に多くの人が利用できそうな電源の例としては、自動車のバッテリが挙げられます。CN0509のボードは、その種のバッテリを入力電源として使用し、2つのUSBポートから5Vを供給できるように設計されています。各ポートは、安全性を確保するために入力電源から絶縁されています。CN0509のボードは入力電圧範囲が広く、5V~100Vの任意の電源を使用して動作させることが可能です。実際、山積みになったバラバラのバッテリや、簡単なジェネレータとして動作するモータなど、手近にありそうな多種多様な電源に対応できます。このような理由から、CN0509のボードは、既存の評価用ボードと組み合わせてパワー・バンク用のチャージャに必要なUSB給電機能を実現するための理想的な選択肢だと言えます。

また、CN0509は逆極性保護の機能を備えています。つまり、電源が逆向きに接続された場合でも回路を保護できるようになっています。加えて、絶縁型のフライバック・コンバータを使用することにより、充電用の出力と入力電源は絶縁されています。このことは、通信分野で使用される-48Vのバックアップ電源を入力電源として使用する場合に特に有用です。その場合、スマートフォンが-48Vで充電されて危険な状態になるおそれがあります。しかし、絶縁型の電源であればそのような状態が生じることを回避できます。更に、CN0509のボードはかなり小型です。これも特筆すべきことだと言えます。この特徴は、非常に効率が高い降圧レギュレータIC「LTC7103」と、フォトカプラを必要としないフライバック・コンバータIC「LT8302」を採用していることによって実現されています。LT8302は、光をベースとする絶縁型のフィードバック・パスを必要としません。このことが主な差別化要因となっています。

CN0509のボードは2つのUSBポートを備えています。1つは標準的なUSBポート(D+/D-はオープン)です。もう1つのUSBポートはDCP(Dedicated Charging Port)コントローラを備えています。DCPコントローラは、急速充電向けに5Vの電圧と最大2Aの電流を供給できるように、USBのデータ・ラインの電圧を監視します。このような大電流を充電用に供給できるか否かは使用する入力電圧に依存します。図4に示した特性から、入力電圧としては12Vが最適であることがわかります。

図4. CN0509における入力電圧と最大負荷電流の関係

 

入力電源とバッテリ

先述したように、メインの入力電源としては12V/60WのAC/DCアダプタを使用します(図5)。これは、LTC4416のデモ用ボードに対する1つの入力となります。また、もう1つの入力電源用に、比較的小さな太陽光発電パネルを購入しました。このプロトタイプは、屋内で行われるイベントで使用することを想定しています。つまり、太陽光発電によってシステムの動作に必要な電力を供給できるだけの光量が得られることはありません。つまり、太陽光発電パネル用の機能は、単にPowerPathに対応するプライオリタイザの機能/能力をデモによって示すために用意したものです。

このプロトタイプは、パワー・バンク向けのものとして設計されています。そのため、ストレージとして機能するバッテリ・パックが必要です。ここでは、入手が容易なバッテリ・パックを使用することにしました。実際、このプロトタイプは、汎用のバッテリ・パックを購入し、それをそのまま接続すれば動作するよう特別に設計されています。この制約に基づき、イベントでデモを実施するためのものとして次のような仕様のリチウムイオン・バッテリ・パックを選択しました。すなわち、容量が2600mAh、公称電圧が7.4Vで、再充電が可能な2つのセルを直列に接続したものです。なお、このプロトタイプには、より容量の大きいバッテリも簡単に接続できるようになっています。

図5. パワー・バンク用チャージャのアプリケーション・ツリー

 

図6. プロトタイプのシステム構成図

 

デモ用システムの構築

このプロトタイプは、標準的な既存のハードウェアを組み合わせて構築しました(図6)。そのため、基本的に電気的な変更は行っていません。入力電源の優先順位付けを正しく行えるようにするために、LTC4416の閾値にいくらか調整を加えただけです。なお、イベントで披露することから、視覚的な見栄えを良くするための工夫を施しています。具体的には、シンプルな黒いアクリル板の上に、標準的な金属のスタンドオフを設けてボードを配置しました。

イベントでは、簡単なUSBメータを使用することによって、供給された充電電流をモニタリングするというデモを実施しました。参加者のスマートフォンを充電する際にどれだけの電流が供給されるのか、USBメータによって視覚的に示しました(図7)。

図7. デモ用に構築したシステム

 

デモ用システムの動作

このデモ用システムの中核的な機能は、当初の目標どおりに適切に動作します。2つの入力電源を切り替えながら、バッテリ・パックを問題なく充電することができました。PowerPathプライオリタイザは、入力電源の切り替えを適切に管理しています。また、CN0509は、接続されたUSBデバイスに対して充電用の電力を適切に供給します。加えて、このシステムは、多くのパワー・バンク用チャージャにはない便利な機能を備えています。それは、バッテリ・パックの充電と、接続されたUSBデバイスの充電を同時に実行できるというものです。例えば、筆者は一般的にはハイエンド品に分類されるパワー・バンクを所有しています。しかし、スマートフォンとパワー・バンクそのもの(バッテリ・パック)を同時に充電することはできません。おそらく、多くのユーザはこの制約に不満を持っているでしょう。

USB充電用のポートの電流は、LTC4162の能力によって制限されます。同ICが内蔵するMOSFET回路が供給可能な電流は最大3.2Aです。その電流の大部分は、バッテリの充電向けに供給されます。残りの電流を、USB充電用のポートを介して使用することができます。

LTC4162のデモ用ボードには、PowerPathによって制御されるMOSFETが実装されています。入力電源を取り除くと、そのMOSFETによって、バッテリの電力が出力ポートにリダイレクトされます。その結果、CN0509とUSBポートに対する電力が維持されます。このモードでは、利用可能な充電電流が減少します。CN0509への入力電源が公称7.4Vのバッテリ電圧になるからです(図4を参照)

 

 

次のステップ

ここまでに説明したように、すぐに利用可能なシンプルなデモ用ボードとリファレンス設計のボードを組み合わせるだけで、プロトタイプを構築することができました。適切な動作が実証されたら、次なる合理的なステップはどのようなものになるでしょうか。それは、プロトタイプによって得られた教訓をソリューションに取り入れて、最終的な製品のプロトタイプを開発することです。そのためには、まず既存のボードの回路図を変更し、余分な要素(テスト・ポイントやコネクタなど)を取り除きます。この作業を行った上で、プリント基板の開発に着手します。当社は、各ICに対応して多様なリソースを提供しています。プリント基板を開発する際には、それらのリソースが非常に役立つでしょう。例えば、各ICには最適なレイアウトを適用したデモ用ボードが用意されています。そのレイアウトのデータは無料のリソースとして提供されています。一般的に、デモ用ボードのサイズはかなり大きく見えるはずです。ただ、それは、単に各ICの動作確認やテストを実施する際の使い勝手を良くしたいからです。ボードのレイアウトをよく見ると、各ボードが対象とするICと必要な周辺回路(抵抗、コンデンサ、インダクタなど)は、できるだけ小さなスペースに実装されていることがわかります。お客様は、その部分のレイアウトを独自のレイアウトにそのまま流用することができます。これは、お客様にとっての安心材料になるでしょう。なぜなら、その設計は既にテスト済みであることが明確になっているからです。お客様は最終製品の構築に取り組む前に、実験によってそのボードの検証を実施することができます。

最終的なアプリケーションでは、より高電圧で大容量のバッテリを使用するとよいかもしれません。その方が、USBポートの充電電流の量を最適化しやすいでしょう。

CN0509は、求められる要件を完全に満たす優れたリファレンス設計です。ただ、このアプリケーションの場合、よりスリムな設計を採用することで、バッテリ・バンク全体としてのコストを抑えることができます。例えば、LTC7103と入力極性に対応する保護用の回路は、この設計には不要です。つまり、絶縁型のフライバック・コンバータにはLTC4162から直接給電しても構いません(メインの電源が取り除かれた場合には、AC/DC電源アダプタからの12V、またはバッテリ電圧のうちいずれかが供給されます)。

 

 

まとめ

パワー・バンク用のチャージャに限らず、あらゆる電源のプロトタイプは、すぐに利用が可能なハードウェアと簡単な電源を使用することによって問題なく構築できるはずです。つまり、ハードウェアとして既存のデモ用ボードを使用すれば、開発にさほどコストをかけることなく、プロジェクトに必要な概念検証を素早く実施することが可能です。また、その比較的小規模ながらも重要な作業を行うことによって、より統合度の高い設計に本格的に着手する前に、安心感を得ることができます。ここで指摘しておきたいのは、電源の設計、より具体的に言えば、電源の設計に伴う基板のレイアウトは難易度の高い作業になる可能性があるということです。したがって、全体的な開発時間を短縮するためにも、利用可能なリソースは積極的に活用するべきです。

 

 



« 戻る


Diarmuid Carey

Diarmuid Careyは、アナログ・デバイセズのアプリケーション・エンジニアです。欧州の中央アプリケーション・センター(アイルランド リムリック)に所属しています。2008年からアプリケーション・エンジニアの業務に従事。2017年にアナログ・デバイセズに入社しました。現在は欧州市場でPower by Linear™製品の設計支援を担当しています。リムリック大学でコンピュータ工学の学士号を取得しました。

 

 


日付順